產品特點 | PRODUCT FEATURES ?兼具三元乙丙橡膠的耐老化性與聚丙烯的可焊接性; ?不含增塑劑等有害化學添加劑; ?耐低溫性能優異,-40℃彎曲不脆裂,具有良好的柔韌性; ?高斷裂強度、高撕裂強度,耐根穿刺,耐化學腐蝕; ?白色表面陽光反射率高,節能; ?耐熱老化、尺寸穩定性好; ?采用熱風焊接、焊接過程中無氯氣釋放、無明火、安全; ?耐候性能優越,理論使用壽命達50年以上,不會因增塑劑遷移變脆,保持長久防水功能。 使用范圍 | CONSTRUCTION METHOD 主要應用于外露式單層屋面防水工程也可用于大型場館、機場、地下室、人防工程、綜合管廊、水庫堤壩、垃圾填埋場、地鐵隧道、橋梁、糧庫等工程。 產品規格 | PRODUCT SPECIFICATIONS |

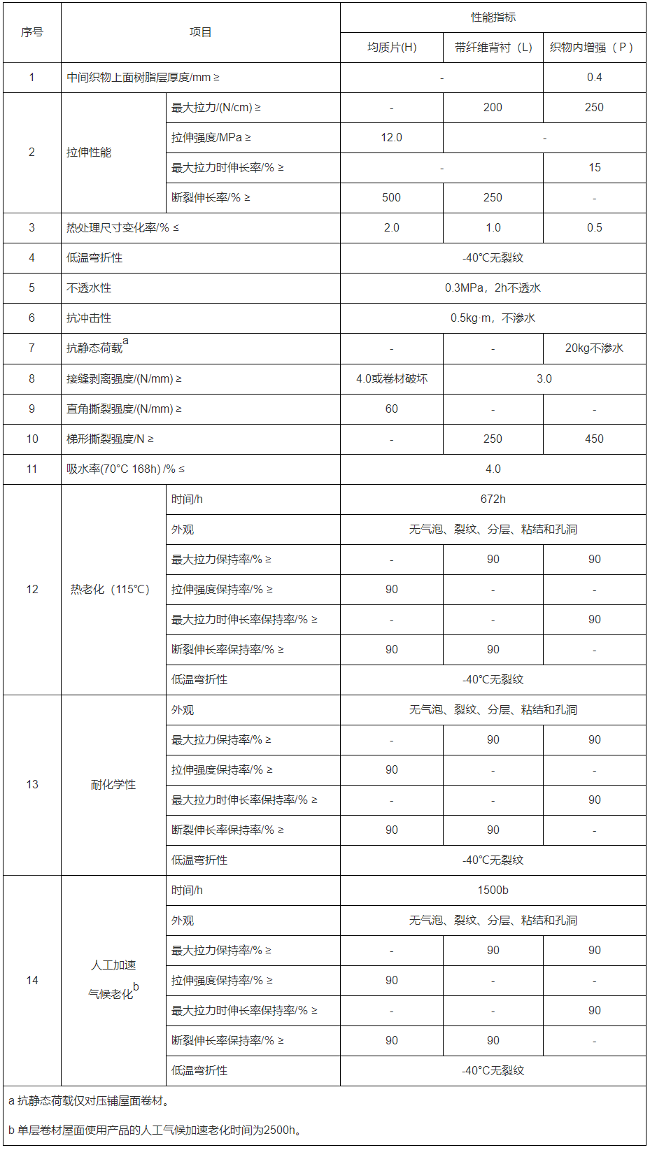
產品性能指標 | PERFORMANCE INDICATORS |

施工方法與工藝 | CONSTRUCTION METHOD TPO防水卷材的施工方法有:機械固定法、滿粘法l兩種方法。接縫采用熱風焊接工藝。 機械固定法施工工藝:基面清理→鋪聚乙烯薄膜、鋪設保溫板→預鋪TPO防水卷材→緊固件固定→熱風焊接→節點部位加強處理→檢查、修整→組織驗收; 滿粘法施工工藝:基面清理→定位彈線→大面涂膠→鋪貼卷材→卷材搭接→節點部位加強處理→收頭處理→組織驗收。 貯存與運輸| CONSTRUCTION METHOD 貯存與運輸時,不同類型、規格的產品應分別堆放,不應混雜。避免日曬雨淋,注意通風。貯存溫度不應高于45℃,平放貯存堆放高度不超過5 層,立放單層堆放,禁止與酸、堿、油類及有機溶劑等接觸; 運輸時防止傾斜或橫壓,必要時加蓋苫布。 |